为了帮助高中生自主预习与有效复习,我们整理了2026豫科版高中通用技术选择性必修3《工程设计基础》电子课本,教材突出跨学科思维与实际应用能力的培养,下面以图片的形式呈现给大家,希望可以帮助到大家。
如需全套高中电子课本PDF版,请关注公众号“学霸书包”(ID:k12ziliao)回复:“电子课本”
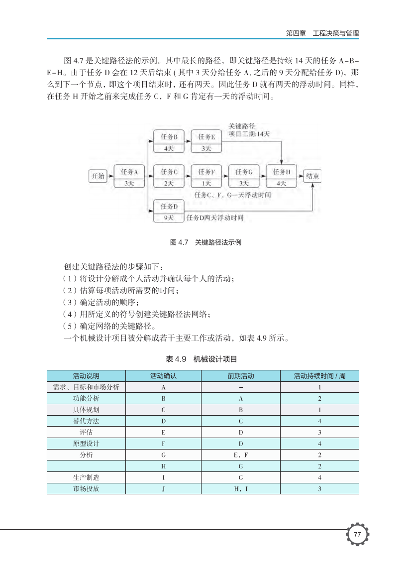
豫科版高中通用技术选择性必修3电子课本在线阅读






























































































2026豫科版高中通用技术选择性必修3《工程设计基础》电子课本就为您介绍到这里,资源来源于网络,仅为学习交流之目的进行分享,其版权均归原出版社及作者所有。